Sices DST4602 Evolution có màn hình lớn và đầy đủ màu sắc dùng cho các trường hợp điều khiển song song tiên tiến và phức tạp, có thể làm việc ở chế độ đảo và song song với nguồn điện. DST4602 Evolution có khả năng được đảm bảo kết nối với PLC và đặc điểm kỹ thuật đầu vào và đầu ra phong phú.
![Sices DST4602 Evolution [Sản xuất tại Italia] Cổng DST4602 Evolution](https://ttttglobal.com/wp-content/uploads/2022/04/Cong-DST4602-Evolution-400x400.jpg.webp)
| BỘ ĐIỀU KHIỂN SICES | THÔNG TIN |
| Xuất xứ Sices DST 4602 Evolution | Ý – Italy |
| Sices DST 4602 Evolution Manual pdf | Download |
| Ứng dụng của Sices DST 4602 Evolution | Điều khiển song song tiên tiến và phức tạp, làm việc ở chế độ đảo và song song với nguồn điện lưới. |
| Cổng kết nối của Sices DST 4602 Evolution | USB, RS232, RS485, Ethernet, GPRS/ GSM, GPS. |
Bộ điều khiển hoà đồng bộ DST4602 EVO
Mô tả bộ điều khiển hòa đồng bộ máy phát điện SICES DST4602 Evolution
- TTTT Global hiện tại là đại diện Bộ điều khiển ATS Sices chính hãng.
- Sices DST4602 Evolution là thiết bị cấp cao nhất trong số các bộ điều khiển Sices DST4602 Evolution TTTT.
- Nó là một bộ điều khiển máy phát điện có thể cấu hình cao cho các ứng dụng song song nâng cao và phức tạp, trong đó yêu cầu một số lượng lớn các cài đặt (chức năng và thông số) để quản lý genset và các mạch phụ trợ của nó.
- Sices DST4602 Evolution cho phép kết nối tối đa 24 bộ phát điện trên cùng một bus, làm việc ở chế độ đảo và song song với nguồn điện lưới.
- Nhờ mức độ cấu hình cao của bộ điều khiển và các chức năng PLC tích hợp (với khối PID), DST4602Evolution có thể được sử dụng cho các nhà máy điện CHP được trang bị Khí, Diesel, Nhiên liệu sinh học và Động cơ nhiên liệu kép.
- Bộ điều khiển cũng có tính năng kiểm soát Tỷ lệ Nhiên liệu-Không khí (AFR) được tích hợp đầy đủ, tăng cường khả năng của nó cho các ứng dụng như vậy.
10+ ƯU ĐÃI ĐANG ÁP DỤNG
- DST4602Evolution được trang bị đầy đủ với tính năng Chia sẻ tải nội bộ, Bộ đồng bộ hóa và điều chỉnh W và VAR. Bộ điều khiển này bao gồm giao diện CAN J1939, hỗ trợ nhiều loại động cơ (Volvo Penta, Scania, Perkins, MTU, Deutz, Cummins, John Deere, Caterpillar và những động cơ khác). Nó cũng có thể được sử dụng với các động cơ truyền thống, nơi các phép đo và điều khiển được thực hiện bởi các giao diện tương tự nhúng.
- DST4602Evolution có thể được sử dụng cùng với tất cả các bộ điều khiển genset của Sices (GC600, GC400). Trong trường hợp có nhiều bộ phát điện song song với nguồn điện mà yêu cầu đồng bộ hóa ngược, DST4602Evolution có thể được giao tiếp với bộ điều khiển nguồn điện Sices (MC200, MC400), theo cách này, để tránh mất điện thêm trên tải.
- Các thông số có thể định cấu hình của bộ điều khiển giúp dễ dàng quản lý các tác vụ tiêu chuẩn và tùy chỉnh.
- Tất cả các thông số có thể được đặt trực tiếp bằng bàn phím của bộ điều khiển hoặc bằng cách sử dụng công cụ phần mềm miễn phí (BoardPRG3), có sẵn trên trang web của SICES.
- Nó cũng có sẵn một trình soạn thảo phần mềm PLC miễn phí, (SicesPlcEditor) để thiết lập logic PLC.
- Màn hình màu đồ họa 7 ”lớn và nâng cao với công nghệ TFT, là một giao diện thân thiện với người dùng, được thiết kế để hình dung nhanh chóng và dễ dàng các biện pháp và cảnh báo đến từ máy phát điện.
- Bộ điều khiển này lưu trữ các sự kiện và dữ liệu định kỳ trong bộ nhớ trong, thông tin này có thể được đọc từ màn hình phía trước.
- DST4602Evolution cung cấp một số giao diện truyền thông để điều khiển cục bộ hoặc từ xa.
- Trong trường hợp ứng dụng phức tạp, như trạm Dầu khí, các biện pháp bảo vệ sẵn có có thể được mở rộng bằng cách sử dụng rơ le bảo vệ bên ngoài D-PRO.
- Trên trang TTTT Global không những có Sices DST 4602 Evolution pdf mà còn có thêm Sices DST 4602 Evolution manual.
NHỮNG ĐẶC ĐIỂM CHÍNH CỦA SICES DST4602 EVOLUTION
- Các lệnh UP / DOWN kỹ thuật số cho bộ điều tốc tốc độ và AVR.
- Quản lý bộ ngắt mạch Mains và Genset.
- Các số đọc RMS thực trên điện áp máy phát và nguồn và trên dòng điện của máy phát, với phép đo dòng điện bổ sung cho bảo vệ trung tính hoặc chênh lệch.
- Các phép đo công suất hoạt động, phản kháng và công suất biểu kiến.
- Các phép đo tần số và công suất trên đầu vào chính.
- 20 đầu vào kỹ thuật số hoàn toàn có thể lập trình với khả năng bổ sung một số đầu vào.
- 16 đầu ra kỹ thuật số hoàn toàn có thể lập trình với khả năng bổ sung một số đầu ra.
- Một số công cụ truyền thông (RS232, RS485 cách điện, RJ45 Ethernet, cổng USB).
- Màn hình màu đồ họa TFT lớn 7 ’’ 800×480 pixel.
- Đồng hồ thời gian thực, sự kiện và ghi dữ liệu.
- Hệ thống điều khiển từ xa.
- Chứng nhận KEMA – Hướng dẫn BDEW (DE).
![Sices DST4602 Evolution [Sản xuất tại Italia] SICES DST4602 Evolution](https://ttttglobal.com/wp-content/uploads/2022/04/retro_dst4602evo-min-649x400.jpg.webp)
Tham khảo: Dst4400
Tham khảo: Sices GC250
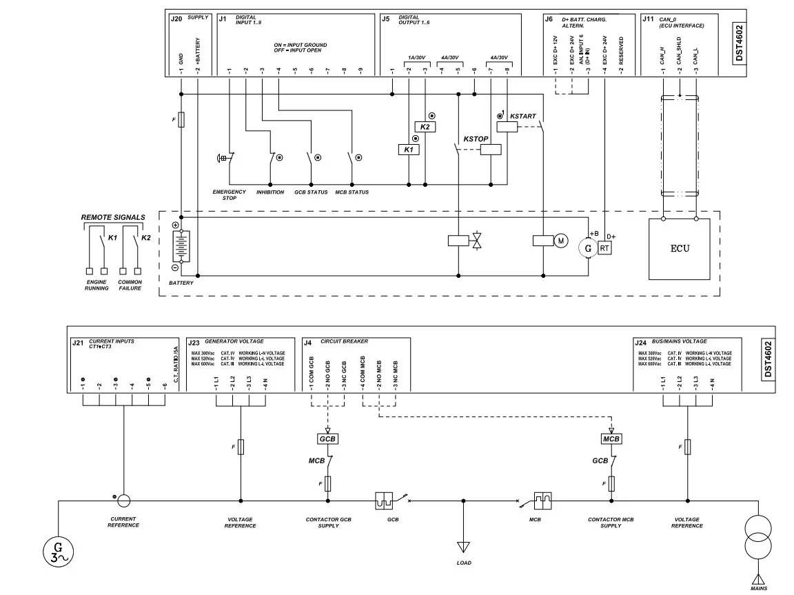
Thông số kỹ thuật bộ điều khiển hòa đồng bộ Sices DST4602 Evolution
Cổng kết nối của SICES DST 4602 Evolution
- 20 cổng đầu vào kỹ thuật số.
- 16 cổng đầu ra kỹ thuật số.
- 5 cổng đầu vào tương tự.
- 2 cổng đầu ra tương tự.
- N.1 Cổng nối tiếp.
- N.1 Cổng nối tiếp thức MODBUS RTU.
- Cổng kiểm soát logic AND/ OR.
- N.1 cổng USB có thể nâng cấp phần sụn.
- N.1 cổng USB với giao thức MODBUS RTU.
- RS232.
- RS485.
- Cổng điều khiển logic PLC.
- N.1 cổng Ethernet với giao thức Modbus TCP.
- Quản lú modem GSM và PSTN trực tiếp.
- Tự động gọi hoặc SMS trong trường hợp có sự kiện.
- Tỷ lệ nhiên liệu không khí.
Tuỳ chọn khác
- Modem GSM.
- REWIND – Giao diện mô-đun cho SIMONE sử dụng công nghệ GPRS/ GSM và GPS.
- DANCE – Giao diện mô-đun cho SIMONE sử dụng công nghệ Ethernet.
- Phần mềm giám sát SicesSupervisor3 và SIMONE.
Các biện pháp bảo vệ
Bảo vệ AMF Mains
- Điện áp thấp (27).
- Quá áp (59).
- Tần số thấp (81U).
- Tần số thừa (81O).
- Mất cần bằng điện áp (47).
Bảo vệ mất nguồn
- Tỷ lệ thay đổi tần số (81R ROCOF).
- Chuyển dịch vecter.
- Điện áp thấp (27).
- Quá áp (59).
- Tần số thấp (81U).
- Tần số thừa (81O).
Bảo vệ máy phát điện
- Công suất tối đa.
- Tần số thấp (81U).
- Tần số thừa (81O).
- Quá áp (59).
- Hướng nguồn (32).
- Mất kích thich (40).
- Quá tải (51, 51V).
- Ngắn mạch (50, 50V).
- Kiểm tra đồng bộ (25).
- Trình tự pha (47).
- Mất cần bằng hiện tại và điện áp (46/47).
- Bảo vệ sự cố chạm đất (64) thay thế cho bảo vệ trung tính (50N).
- Dãy âm (12).
Bảo vệ động cơ
- Quá tốc độ (12).
- Trình tự không đầy đủ (48).
- Đứt dây đai.
- Cảnh báo nhiệt độ nước làm mát và dầu bôi trơn.
- Cảnh báo áp suất dầu bôi trơn.
- Tối đa sức mạnh.
- Mức nhiên liệu.
- Dừng khẩn cấp.
Thông số thiết bị
- Điện áp cung cấp: 8 đến 33 VDC.
- Công suất tiêu thụ: Điểu hình dưới 7W (+ 5W cho đèn hiển thị).
- Tần số hoạt động 50Hz hoặc 60Hz.
- Đầu vào kỹ thuật số: cách điện quang.
- Màn hình 888×480 Pixel TFT, 7” màu.
- Đầu ra tĩnh: 500mA 25oC, 360mA 50oC.
- Ngõ ra rơ le phụ: 1/ 2,5/ 4A 30V.
- Nhiệt độ hoạt động: -20oC đến 60oC.
- Nhiệt độ bảo quản: -30oC đến 80oC.
- Gắn bằng điều khiển: bằng bu lông đinh tán.
- Mức độ bảo vệ: IP54 (bảng điều khiển phía trước, bằng cách bổ sung nấp và miếng đệm bảo vệ khoá chìa khoá).
- Trọng lượng: 1600 gr.
- Kích thước tổng thể: Dài 260 x Rộng 202 x Cao 86 mm.
- Cắt bảng điều khiển: Dài 240 x Rộng 172 mm.
- EMC: phù hợp với EN61326-1.
- An toàn: Được xây dựng phù hợp với EN61010-1.
Các loại ứng dụng của Sices DST4602 Evolution
- Chỉ có GCB ( Không có MCB): Đối với những nhà máy mà bộ điều khiển genset không quản lý trực tiếp MCB (bộ ngắc mạch chính).
![Sices DST4602 Evolution [Sản xuất tại Italia] GCB](https://ttttglobal.com/wp-content/uploads/2022/04/GCB-min-800x295.jpg.webp)
- Bao gồm MCB + GCB: Đối với những nhà máy điều khiển trực tiếp MCB: bộ phát điện làm việc khẩn cấp hoặc song song với nguồn lưới.
![Sices DST4602 Evolution [Sản xuất tại Italia] GCB + MCB](https://ttttglobal.com/wp-content/uploads/2022/04/GCB-MCB-min-800x295.jpg.webp)
Màn hình điều khiển từ xa Sices DST 4602 Remote
- Đối với mỗi DST 4602 Evolution cục bộ, có thể thêm hoặc nhiều màn hình từ xa, được gọi là Sices DST4602 Remote .
- Giải pháp này thường được khuyến nghị trong trường hợp phòng điều khiển từ xa, nơi cần theo dõi hệ thống phát điện. Có thể kết nối tối đa 4 màn hình từ xa với một bộ điều khiển DST4602 Evolution duy nhất.
![Sices DST4602 Evolution [Sản xuất tại Italia] dst4602-remote](https://ttttglobal.com/wp-content/uploads/2022/04/dst4602-remote-min-445x400.png.webp)
Kết nối giữa DST4602 Evolution và DST4602 Remote
- Quan Modbus RTU RS485 ( tối đa 800m).
- Qua Ethernet TCP/ IP (tối đa 100m mà không có bất kỳ trung tâm nào).
- Nếu thông qua ethernet, có thể kết nối một số DST 4602 Remote với một bộ điều khiển cục bộ.
Hiển thị đồ hoạ
- DST4602 Remote được trang bị màn hình đồ hoạ màu 7” mạnh mẽ TFT-800×480 pixel.
Điều khiển bộ chọn phím
- Lệnh bị vô hiệu hoá: không có thao tác nào được cho phép.
- Lệnh được kích hoạt: tất cả các thao tác đều được phép.
- Đặt lại từ xa: đặt lại các báo động/ cảnh báo.
Nút ấn
- Khởi động từ xa: khởi động được bật nếu chế độ hoạt động của bộ điều khiển cục bộ là TỰ ĐỘNG.
- REMOTE STOP: dùng để dừng máy phát từ xa.
- Nếu bộ phát điện đã được khởi động bằng DST4602 Remote, nút “REMOTE STOP” sẽ dừng bộ phát điện ngay lập tức mà không cần bất kỳ hoạt động làm mát nào.
- GCB: để đóng/ mở bộ ngắt mạch Genset bằng tay.
An ninh
- An toàn hệ thống có thể được tăng lên với một mật khẩu riêng, trên cả hai bộ điều khiển cục bộ và từ xa.
Phiên bản tách của Sices DST4602 Evolution
- Bộ diều khiển này có thể được cung cấp trong hai thiết bị riêng biệt (bộ hiển thị + điều khiển), cho các mục đích sử dụng và lắp ráp cụ thể. Ngoài ra, bạn có thể lựa chọn giữa phiên bản với công tắc bộ chọn phim hoặc có các nút đẩy để lựa chọn chế độ vận hành.
- Bên dưới đây, giao diện người dùng với bộ hiển thị, được gắn trên cửa của bảng điều khiển và bộ điều khiển được gắn bên trong bảng.
![Sices DST4602 Evolution [Sản xuất tại Italia] splitweb](https://ttttglobal.com/wp-content/uploads/2022/04/splitweb-min-2.png.webp)
Chức năng đồng bộ hoá
- DST 4602 Evolution có trình tự khởi động tự động và sáng tạo được tích hợp sẵn, cho phép đạt được tốc độ song song nhanh chóng của một số bộ phát trong thời gian tối đa 9 – 15 giây.
- Hệ thống tiên tiến được goi là song song nhanh hoặc song song Dead Bus, là một giải pháp diệu quả cho những trạm nhạy cảm, nơi bất kỳ sự cố nguồn điện nào, dù chỉ trong vài giây, có thể gây ra vấn đề lớn cho con người và bảo mật dữ liệu, bàng các tạo ra thiệt hại trong quá trình quy trình sản xuất.
- Sử dụng tính năng Song song nhanh, các bộ phát điện được bật, đồng bộ hoá và sẵn sàng cung cấp tải trong vài giây kể từ khi có tín hiệu mất nguồn.
Khả năng kiểm soát
- Lựa chọn chế độ hoạt động: Với phịm bộ chọn và với hai nút ấn chuyên dụng.
- Nút nhất Start và Stop của động cơ.
- Lệnh GCB và MCB bằng cách sử dụng các nút nhấn.
- ACK/ MODE (tắt tiến cảnh báo bằng âm thanh và các chức năng phụ khác.
- Bốn phím mũi tên cho chế độ chọn màn hình LCD, chọn cửa sổ, thay đổi tham số và các phím khác.
- Phím EXIT, ENTER và SHIFT.
Để biết thêm thông tin chi tiết về hướng dẫn cài đặt bộ điều khiển máy phát điện Sices và cách hòa đồng bộ máy phát điện:
Công ty TNHH TTTT Global.
Địa chỉ: Landmark 4, Vinhomes Central Pank, 720A Điện Biên Phủ, P.22, Quận Bình Thạnh, Tp. Hồ Chí Minh, Việt Nam.
Website: https://ttttglobal.com/
Điện thoại: 0286 2728334
Email: Info@ttttglobal.com

English
![Sices MC400 - Bộ điều khiển hòa đồng bộ vào lưới [Italy] mc400_optimized](https://ttttglobal.com/wp-content/uploads/2022/04/mc400_optimized-100x100.jpg.webp)
![Sices DST4602 Evolution [Sản xuất tại Italia] dst4602_optimized](https://ttttglobal.com/wp-content/uploads/2022/04/dst4602_optimized.jpg)
![Sices DST4602 Evolution [Sản xuất tại Italia] Cổng DST4602 Evolution](https://ttttglobal.com/wp-content/uploads/2022/04/Cong-DST4602-Evolution.jpg.webp)
![Sices DST4602 Evolution [Sản xuất tại Italia] dst4602_remote_retro](https://ttttglobal.com/wp-content/uploads/2022/04/dst4602_remote_retro.jpg.webp)
![Sices DST4602 Evolution [Sản xuất tại Italia] Sơ đồ DST4602 5](https://ttttglobal.com/wp-content/uploads/2022/04/5.jpg.webp)
![Sices DST4602 Evolution [Sản xuất tại Italia] SICES DST4602 Evolution](https://ttttglobal.com/wp-content/uploads/2022/04/retro_dst4602evo-min.jpg.webp)
![Sices DST4602 Evolution [Sản xuất tại Italia] Cổng DST4602 Evolution](https://ttttglobal.com/wp-content/uploads/2022/04/Cong-DST4602-Evolution-300x300.jpg.webp)
![Sices DST4602 Evolution [Sản xuất tại Italia] dst4602_remote_retro](https://ttttglobal.com/wp-content/uploads/2022/04/dst4602_remote_retro-300x300.jpg.webp)
![Sices DST4602 Evolution [Sản xuất tại Italia] Sơ đồ DST4602 5](https://ttttglobal.com/wp-content/uploads/2022/04/5-300x300.jpg.webp)
![Sices DST4602 Evolution [Sản xuất tại Italia] SICES DST4602 Evolution](https://ttttglobal.com/wp-content/uploads/2022/04/retro_dst4602evo-min-300x300.jpg.webp)
![Sices DST4602 Evolution [Sản xuất tại Italia] quan tâm zalo OA](https://ttttglobal.com/wp-content/uploads/2024/08/zalo-ads.jpg)